ショックアブソーバ FNJ-F1210L-*(耐クーラント仕様)
- RoHS対応品

●耐クーラント仕様
内部Uパッキンを二重にしている為、付着した液体が内部に浸入しにくい構造。
切削加工等、クーラントが飛散する環境下であっても、破損しにくい。
フッ素パッキンを採用し、更に多様なクーラントに対応可能となった。
本体長以外の寸法は通常品と同一の為、置換も容易。
●耐久性能向上
当社試験にて作動回数1,000万回をクリア。
また新構造を採用し、吸収エネルギーも従来比10%アップ。
ショックアブソーバの交換回数を減らし、ランニングコストの低減が期待できる。
●本体ステンレス仕様
外観パーツにステンレスを多用(※)し、防錆性能が大幅に向上。
設計を見直したことで軽量・コンパクトを実現した。
※キャップは樹脂製
●食品機械潤滑油採用
内部オイルにNSF H1登録潤滑剤を使用。
一般的な産業機械に加え、食品・医薬品・化粧品への潤滑剤混入が懸念される
製造・充填・運搬装置などにも検討可能。

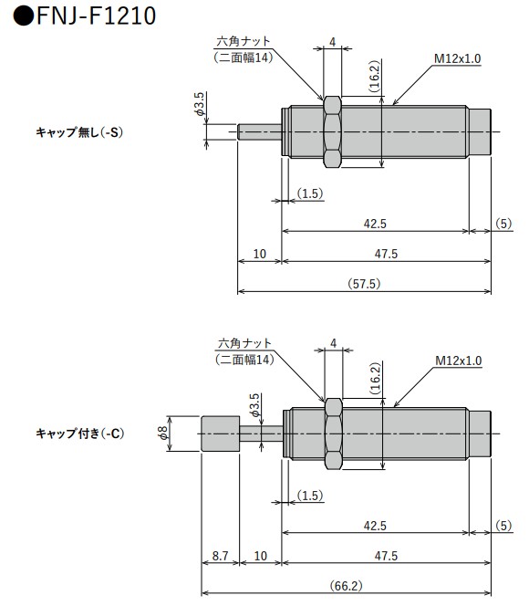
寸法表

仕様
| ストローク(mm) | 10 |
|---|---|
| 最大吸収エネルギー J(kgf・m) | 7(7) |
| 毎分吸収エネルギー J(kgf・m) | 98(98) |
| 最大等価質量 kg(kgf) | 50(50) |
| 衝突速度範囲 m/s | 0.05~2 |
| 最大使用サイクル cycle/min | 60 |
| 使用温度範囲 ℃ | -5~70 |
| 最大抗力値 N(kgf) | 2410(256) |
この緩衝器へのお問い合わせはこちら
ご覧いただいている緩衝器・製品の仕様にご不明点がある方は、お気軽にお問い合わせください。
当社スタッフが必要な条件・用途をお伺いした上で、最適な緩衝器・製品をご提案いたします。
また、当社既製品で対応できない場合でも、特注品対応・OEM対応での開発・供給が可能です。
ぜひ一度ご相談ください。
精密機器本部直通
03-3259-2524
受付時間:平日9:00~17:40(土・日・祝日・年末年始はお休み)
対応時間外は、お問い合わせフォームをご利用ください(24時間受付)
ご希望の緩衝器が見つからない方へ
ご希望の緩衝器が見つからない方は、右記の機種選定ツールをご覧ください。
ショックアブソーバについては選定ツールにて製品の絞り込みがいただけます。


